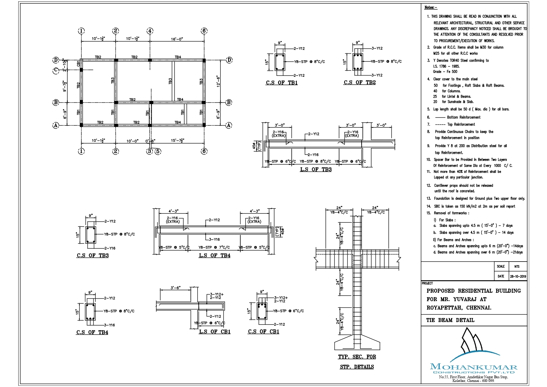
Are you planning a construction project and need to determine the ideal steel beam column spacing? Look no further! Understanding the Steel Beam Column Spacing Chart is crucial for ensuring the structural integrity and safety of your building.
By referring to the Steel Beam Column Spacing Chart, you can easily determine the appropriate spacing between beams and columns based on the load requirements and building dimensions. This chart provides valuable information that helps architects and engineers make informed decisions.
Steel Beam Column Spacing Chart
Steel Beam Column Spacing Chart: A Handy Tool for Construction
One key factor to consider when using the Steel Beam Column Spacing Chart is the type of material being used. Different materials have varying load-bearing capacities, so it’s essential to choose the right steel beams and columns for your project to ensure long-lasting durability.
Additionally, the Steel Beam Column Spacing Chart takes into account factors such as building height, column height, and beam size to determine the optimal spacing. By following these guidelines, you can ensure that your structure is built to withstand the test of time.
Whether you’re constructing a residential, commercial, or industrial building, the Steel Beam Column Spacing Chart is an invaluable resource that can help you achieve a safe and reliable structure. Don’t overlook this crucial tool when planning your next construction project!
In conclusion, understanding and utilizing the Steel Beam Column Spacing Chart is essential for designing a structurally sound building. By following the guidelines provided in the chart, you can ensure that your construction project meets safety standards and stands the test of time. Happy building!
Framing Systems Vulcan Steel Structures
How Many Rods In The Column Required For Residential Buildings
Beam Calculation Examples Steel Beam Calculator



