Add Column To Pivot Chart

Add And Arrange Pivot Table Data In Numbers On Mac Apple Support
Are you looking to enhance your data visualization skills? Adding a column to a pivot chart can be a game-changer...
Read more

Add Column To Chart In R

Ggplot2 Add Column Frequencies To Stacked Bar Chart In R
Are you looking to enhance your data visualization skills in R? Adding columns to charts can provide valuable insights into...
Read more

Add Column To Bar Chart Ppt

Editable Bar Chart PowerPoint And Google Slides Themes
Are you looking to enhance your presentations with engaging visuals? Adding a column to a bar chart in PowerPoint can...
Read more

Add Column Gantt Chart Ms Project

How To Use Microsoft Project Predecessors
Are you looking to add a column to your Gantt chart in Microsoft Project? It’s a common task that can...
Read more

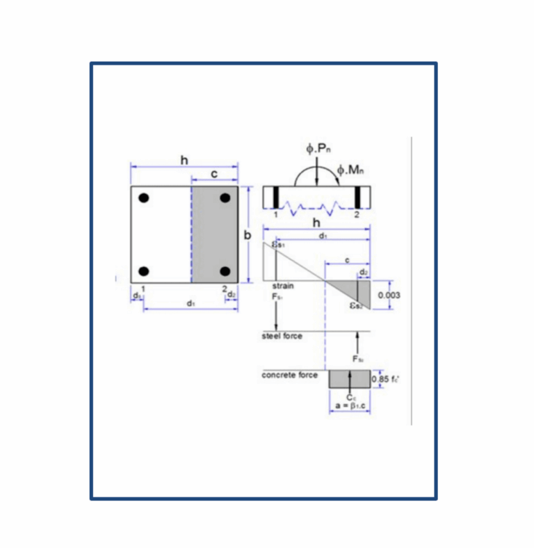
Aci Column Design Charts

Design Of Rectangular Column With Calculation Of Interaction
Are you looking for a simple and effective way to design ACI columns? Look no further! ACI column design charts...
Read more

Aci Column Design Chart

Reinforced Concrete Design Engineer s Outlook
Are you looking for an easy way to understand ACI column design charts? Look no further! These charts provide valuable...
Read more

Absorption Column Chart

R Light Absorption By The Water Column
If you’ve ever wondered how absorption columns work, you’re in the right place. Absorption columns are used in various industries...
Read more

About Column Chart

Microsoft Excel Using Log Scale In A Bar Chart Super User
If you’re looking for a way to visually represent data in a clear and easy-to-understand manner, a column chart might...
Read more

Abc Column Z Score Chart

Z table Left And Right Z score Tables
Are you looking for an easy way to understand and interpret data? The ABC Column Z Score Chart might just...
Read more

Aa Fourth Step Five Column Chart

4th Step Worksheet From The Big Book Of AA
Are you looking for an easy way to organize your thoughts or data? A fourth step five column chart might...
Read more