Are you looking for a simple and effective way to design ACI columns? Look no further! ACI column design charts are here to save the day. These charts provide a quick and easy reference for designing columns according to the American Concrete Institute (ACI) standards.
Whether you’re a seasoned engineer or a student just starting out, ACI column design charts are a handy tool to have in your arsenal. With these charts, you can quickly determine the required column dimensions, reinforcement details, and load capacities without having to perform complex calculations.
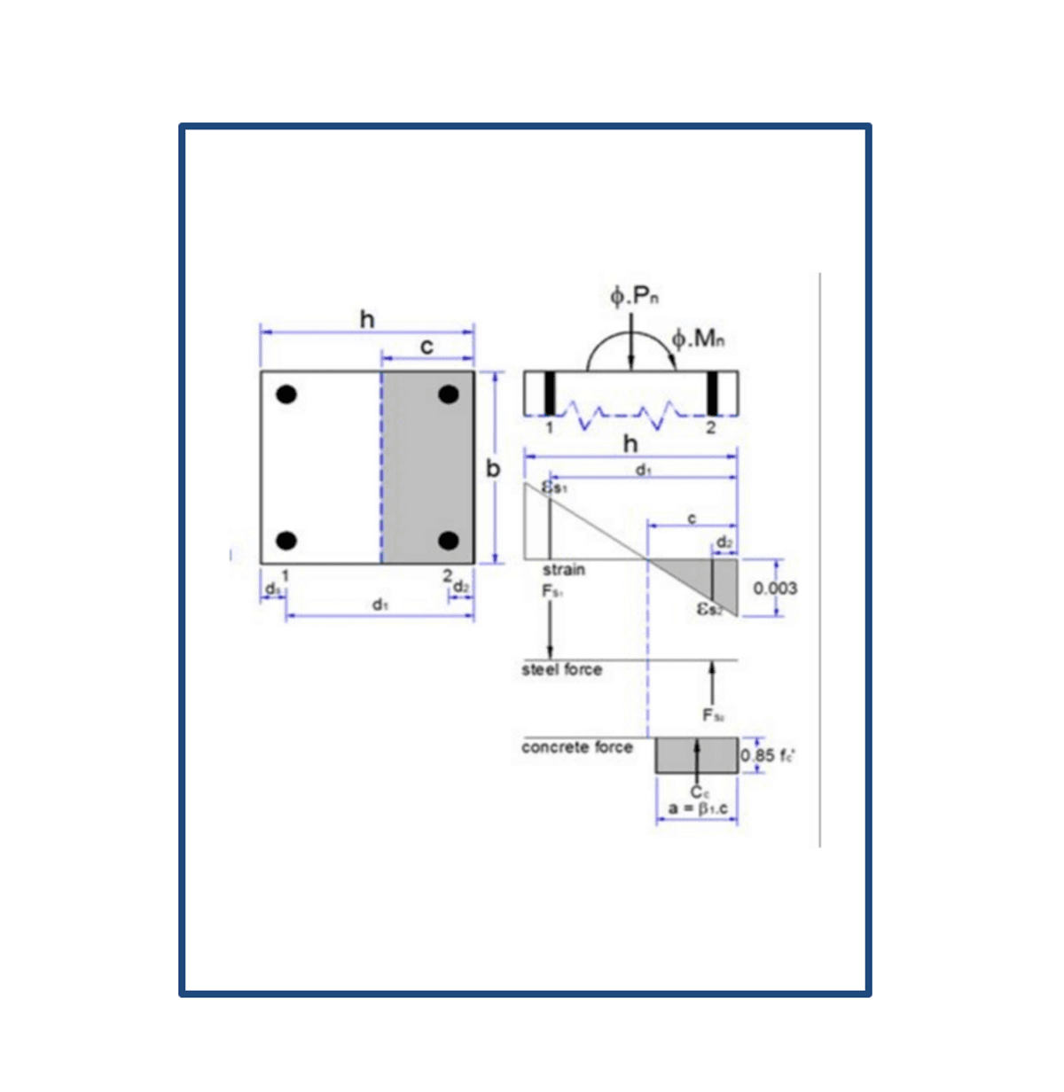
Aci Column Design Charts
ACI Column Design Charts: Your Go-To Resource
Using ACI column design charts is straightforward and user-friendly. Simply locate the appropriate chart based on your column’s parameters, such as axial load and concrete strength, and follow the corresponding guidelines to design your column efficiently and accurately.
These charts are based on extensive research and testing, ensuring that your column designs meet industry standards and perform reliably in real-world applications. Say goodbye to guesswork and hello to precise and reliable column designs with ACI column design charts!
So, next time you’re faced with a column design challenge, remember to reach for your trusty ACI column design charts. With their help, you can streamline your design process, save time, and ensure that your columns are structurally sound and code-compliant. Happy designing!

